
Description
Parameters
Applications:
l?Loss compensation for fiberoptic connection and switch
l?WDM fiberoptic networks
l?100G fiberoptic data center
?
Features:????????????????????????????????????????????????????????????? ????
l?Wide optical wavelength range
l?High saturation output power
l?Low polarization sensitivity
l?Low gain ripple and NF
l?MQW design
![1560497064974206.png )IVBRTL07D8BE_6]2`P0AQF.png](http://www.canmill.com.cn/ueditor/php/upload/image/20190614/1560497064974206.png)
Optical and Electric Specifications
Parameter | Symbol | Min. | Typ. | Max. | Unit |
Center Wavelength(1310nm) | λc | 1290 | 1310 | 1330 | nm |
Center Wavelength(1550nm) | λc | 1530 | 1550 | 1570 | nm |
3dB Optical Bandwidth | Δλ3dB | - | 55 | - | nm |
Small Signal Gain at @ - 25dBm Signal | Gmax | 13 | 16 | - | dB |
Gain Ripple (p-p) @ Iop, λc | ΔG | - | 0.5 | 1.0 | dB |
Saturation Output Power(1310nm@ -3 dB) | Psat | 10 | 12 | - | dBm |
Saturation Output Power(1550nm@ -3 dB) | Psat | 8 | 10 | - | dBm |
Polarization Dependent Gain | PDG | - | 0.5 | 1.0 | dB |
Noise Figure | NF | - | 10 | - | dB |
Forward Current | IF | - | 400 | 600 | mA |
Laser Reverse Voltage | VR | - | - | 2.5 | V |
TEC set temperature | TS | 15 | - | 35 | ℃ |
TEC Current | ITEC | - | 1.0 | 1.5 | A |
TEC Voltage | VTEC | - | 2.8 | 3.7 | V |
Thermistor Resistance@25℃ | RTH | 9.5 | 10 | 10.5 | kΩ |
Optical Isolation | ISO | 30 | - | - | dB |
Operating temperature | Top | -20 | - | 70 | ℃ |
Storage Temperature | Ts | -40 | - | 85 | ℃ |






Mecahnical Dimensions:
?
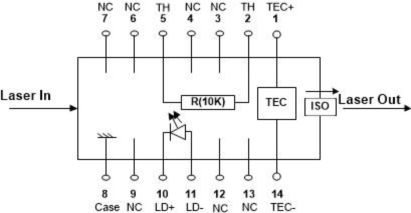
?PIN Definition:
1 | Thermoelectric Cooler (+) |
2 | NC |
3 | Thermistor |
4 | Thermistor |
5 | NC |
6 | NC |
7 | NC |
8 | Case Ground |
9 | NC |
10 | SOA Anode (+) |
11 | SOA Cathode (-) |
12 | NC |
13 | NC |
14 | Thermoelectric Cooler (–) |
![1560497536404185.png P88%HB]T@%6UDJ}UFW}1LL9.png](/ueditor/php/upload/image/20190614/1560497536404185.png)
![1560497541266088.png A8~UT{R@$M46AM{8K]])G$Q.png](/ueditor/php/upload/image/20190614/1560497541266088.png)
The SOAD fiberoptic amplifiers at 1310nm and 1550nm are designed by using a high quality angled SOA chip and a TEC which can assure a stable amplified output for a large dynamic input signal. The devices are available in a standard, 14-pin butterfly package at the 1310nm and 1550nm bands. The SOA devices have high optical gain, high saturation output power, low polarization dependent loss, low noise figure and broad wavelength range. We have options of optical isolators for input and/or output side as well as output fibers of SM fibers, PM fibers and other special fibers per customer specifications. The products are Telcordia GR-468 qualified, and in compliance with RoHS requirement.
Applications:
l?Loss compensation for fiberoptic connection and switch
l?WDM fiberoptic networks
l?100G fiberoptic data center
?
Features:????????????????????????????????????????????????????????????? ????
l?Wide optical wavelength range
l?High saturation output power
l?Low polarization sensitivity
l?Low gain ripple and NF
l?MQW design
![1560497064974206.png )IVBRTL07D8BE_6]2`P0AQF.png](http://www.canmill.com.cn/ueditor/php/upload/image/20190614/1560497064974206.png)
Optical and Electric Specifications
Parameter | Symbol | Min. | Typ. | Max. | Unit |
Center Wavelength(1310nm) | λc | 1290 | 1310 | 1330 | nm |
Center Wavelength(1550nm) | λc | 1530 | 1550 | 1570 | nm |
3dB Optical Bandwidth | Δλ3dB | - | 55 | - | nm |
Small Signal Gain at @ - 25dBm Signal | Gmax | 13 | 16 | - | dB |
Gain Ripple (p-p) @ Iop, λc | ΔG | - | 0.5 | 1.0 | dB |
Saturation Output Power(1310nm@ -3 dB) | Psat | 10 | 12 | - | dBm |
Saturation Output Power(1550nm@ -3 dB) | Psat | 8 | 10 | - | dBm |
Polarization Dependent Gain | PDG | - | 0.5 | 1.0 | dB |
Noise Figure | NF | - | 10 | - | dB |
Forward Current | IF | - | 400 | 600 | mA |
Laser Reverse Voltage | VR | - | - | 2.5 | V |
TEC set temperature | TS | 15 | - | 35 | ℃ |
TEC Current | ITEC | - | 1.0 | 1.5 | A |
TEC Voltage | VTEC | - | 2.8 | 3.7 | V |
Thermistor Resistance@25℃ | RTH | 9.5 | 10 | 10.5 | kΩ |
Optical Isolation | ISO | 30 | - | - | dB |
Operating temperature | Top | -20 | - | 70 | ℃ |
Storage Temperature | Ts | -40 | - | 85 | ℃ |






Mecahnical Dimensions:
?
?PIN Definition:
1 | Thermoelectric Cooler (+) |
2 | NC |
3 | Thermistor |
4 | Thermistor |
5 | NC |
6 | NC |
7 | NC |
8 | Case Ground |
9 | NC |
10 | SOA Anode (+) |
11 | SOA Cathode (-) |
12 | NC |
13 | NC |
14 | Thermoelectric Cooler (–) |
![1560497536404185.png P88%HB]T@%6UDJ}UFW}1LL9.png](/ueditor/php/upload/image/20190614/1560497536404185.png)
![1560497541266088.png A8~UT{R@$M46AM{8K]])G$Q.png](/ueditor/php/upload/image/20190614/1560497541266088.png)
Add:Deliwei Industrial Park, Longhua, Shenzhen, China 518109
Tel:+86-755-29048607/85250091/32939610/32939620
Fax:+86-755-29048624
Email:sales@opticres.com